English
994

1720KWH-800KW Solution

The system has an energy storage capacity of 1720KWH, which can store sufficient electrical energy to meet long-term electricity needs; the rated output power is 800KW, and the peak power can be increased to a higher level according to the configuration, which can stably drive multiple high-power equipment to run at the same time, and adapt to the power load of small and medium-sized factories, large hotels, remote base stations and other scenarios.

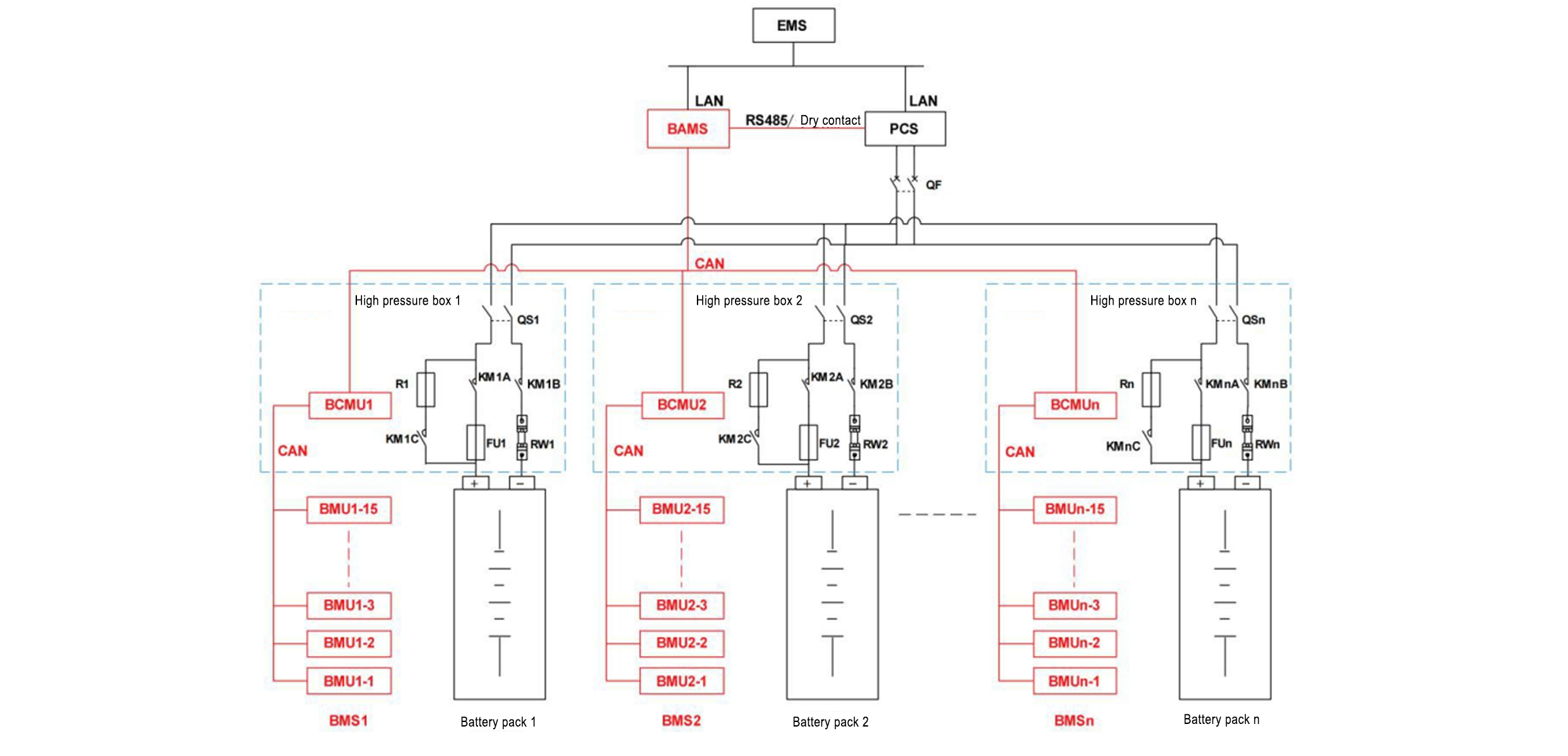
Battery Compartment Specifications and Parameters

Cell Type 280Ah-LEP
Capacity 1720.0kWh
Configuration 240S 8P
Nominal Voltage 768.0V
Operating voltage range 691.2-844.8V
Operating Temperature Range -25°C to 55°C
Cooling Method Air cooling
Cycle Life ≥8000 cycles
Protection Level lP54
Operating Altitude ≤4000m
Dimensions (W x D x H) mm 6048*2438*2400mm
Weight 18520KG
Battery module specifications and parameters
Capacity 21.5kWh
Configuration 24S 1P
Nominal Voltage 76.8V
Cell capacity 280Ah

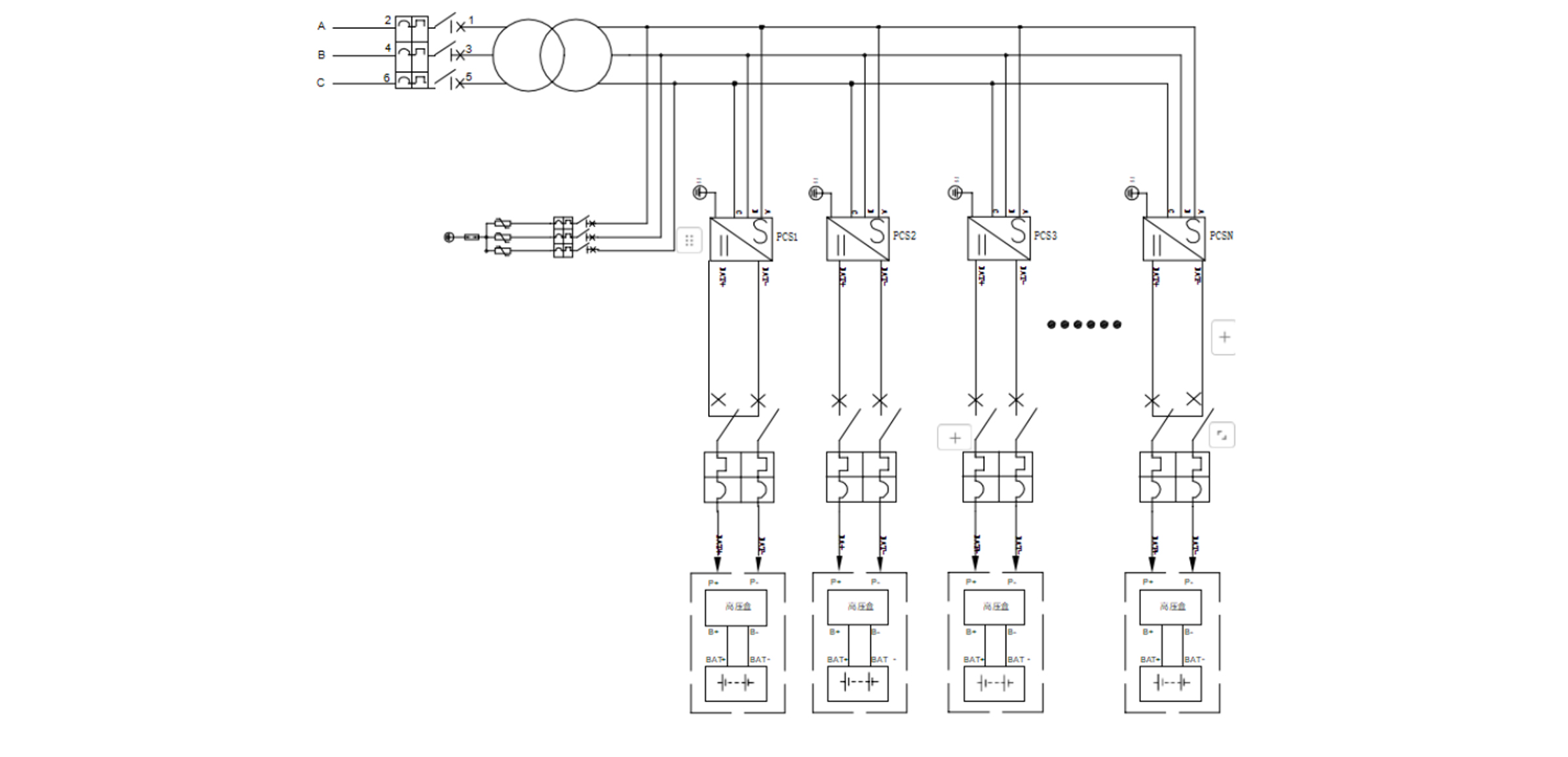
Inverter specifications and parameters

Circuit Block Diagram

Boost Compartment Specifications and Parameters

Maximum DC voltage (V) 950
DC voltage operating range (V) 650-950(3P4W)
Maximum DC current (A) 163*8
Rated output power(KW) 800
Rated grid voltage(V) 400
Grid voltage range (V) 320-450
Maximum AC current (A) 1272
Rated frequency(Hz) 50/60
Power factor >0.99(At rated power)
AC off-grid voltage (V) 380/400
AC off-grid frequency (Hz) 50/60
AC voltage range (V) ±3%
Output voltage accuracy 1%
Heat dissipation method Fan cooling
Maximum efficiency 98%
size (mm) 1600*1000*2050 (Excluding Connectors and Brackets)
weight (kg) 750

Comparison before and after use

To Solve Your Outdoor Power Supply Needs, Contact Us To Obtain Convenient And Reliable Solutions.
Get in Touch

Quick Links

Support

Product Category

Contact Us

Add: 13 Kangle Road, Hengli Town, Dongguan City, Guangdong Province, China
Tel: +86-134-2346-1319
WhatsApp: +8613532753468
Email: rex@dgtaoyan.com 
Copyright © Dongguan Taoyan New Energy Technology Co., Ltd. All Rights Reserved. Sitemap