English
995
996

217KWH-50KW Solution

The system has an energy storage capacity of 217KWH, which can store sufficient electrical energy to meet long-term electricity needs; the rated output power is 50KW, and the peak power can be increased to a higher level according to the configuration, which can stably drive multiple high-power equipment to run at the same time, and adapt to the power load of small and medium-sized factories, large hotels, remote base stations and other scenarios.

Battery Compartment Specifications and Parameters

Cell Type 314Ah-LEP
Capacity 217.0kWh
Configuration 216S 1P
Nominal Voltage 691.2V
Operating voltage range 760.32-622.08V
Operating Temperature Range -25°C to 55°C
Cooling Method Air cooling
Cycle Life ≥8000 cycles
Protection Level lP54
Operating Altitude ≤4000m
Dimensions (W x D x H) mm 1350*1350*2020mm
Weight 1852KG
Battery module specifications and parameters
Capacity 24.1kWh
Configuration 24S 1P
Nominal Voltage 76.8V
Cell capacity 314Ah

Schematic diagram of the wiring of the energy storage cabinet

Inverter specifications and parameters

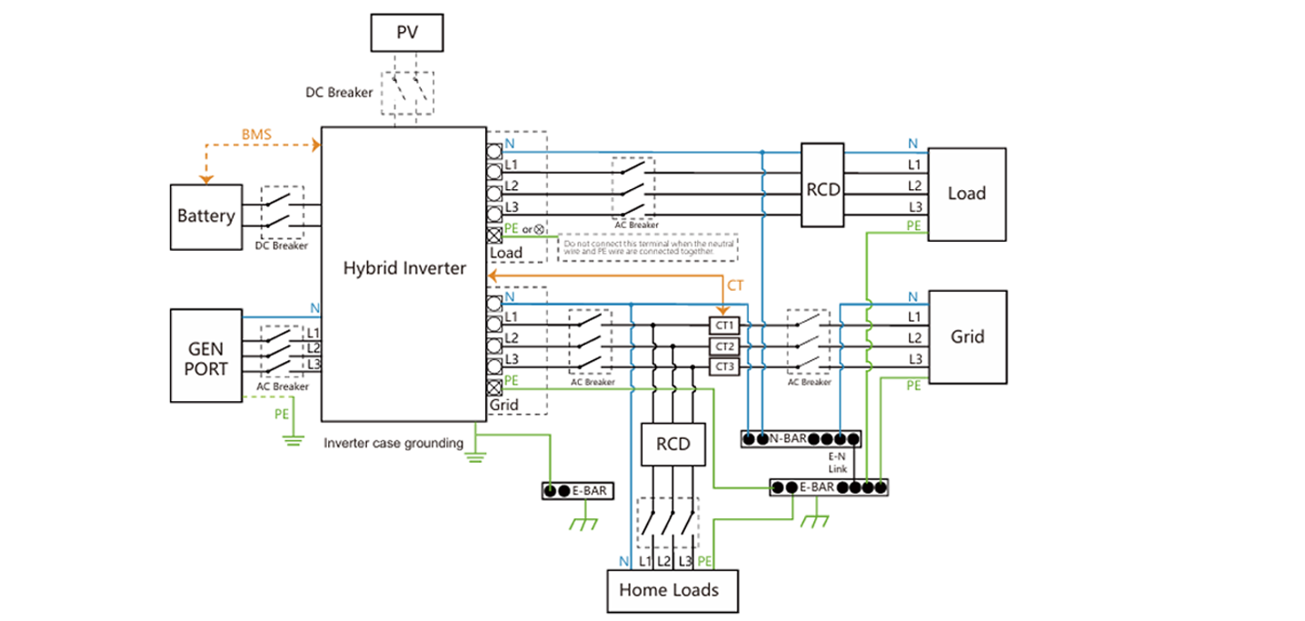
Circuit Block Diagram

Boost Compartment Specifications and Parameters

Battery Voltage Range (V) 160-800
Max. Charging Current (A) 160-800
Max. Charging Current (A) 50+50
Max. Discharging Current (A) 50+50
Charging Strategy for Li-ion Battery Self-adaption to BMS
Max. PV Access Power (W) 100000
Max. PV Input Power (W) 80000
Max. PV Input Voltage (V) 1000
Start-up Voltage (V) 180
MPPT Voltage Range (V) 150-850
Rated PV Input Voltage (V) 600
Rated AC Input/Output Active Power (W) 50000
Max. AC Input/Output Apparent Power (VA) 55000
Max. Continuous AC Pass through (grid to load) (A) 200
Power Factor Adjustment Range 0.8 leading to 0.8 lagging
Cabinet Size (mm) 527×894×294 (Excluding Connectors and Brackets)
Weight (kg) 80
To Solve Your Outdoor Power Supply Needs, Contact Us To Obtain Convenient And Reliable Solutions.
Get in Touch

Quick Links

Support

Product Category

Contact Us

Add: 13 Kangle Road, Hengli Town, Dongguan City, Guangdong Province, China
Tel: +86-134-2346-1319
WhatsApp: +8613532753468
Email: rex@dgtaoyan.com 
Copyright © Dongguan Taoyan New Energy Technology Co., Ltd. All Rights Reserved. Sitemap